收藏本页
|
设为主页
|
随便看看
景光电气有限公司
高压真空断路器、负荷开关、高低压电器元件、电力金具、电力28多多、高低压电气成...
网站首页
公司介绍
供应产品
采购清单
人才招聘
联系方式
诚信档案
新闻中心
暂无新闻
产品分类
暂无分类
联系方式
联系人:戴方永
电话:0576-87617777
站内搜索
供应产品
采购清单
人才招聘
荣誉资质
暂未上传
友情链接
暂无链接
您当前的位置:
首页
»
供应产品
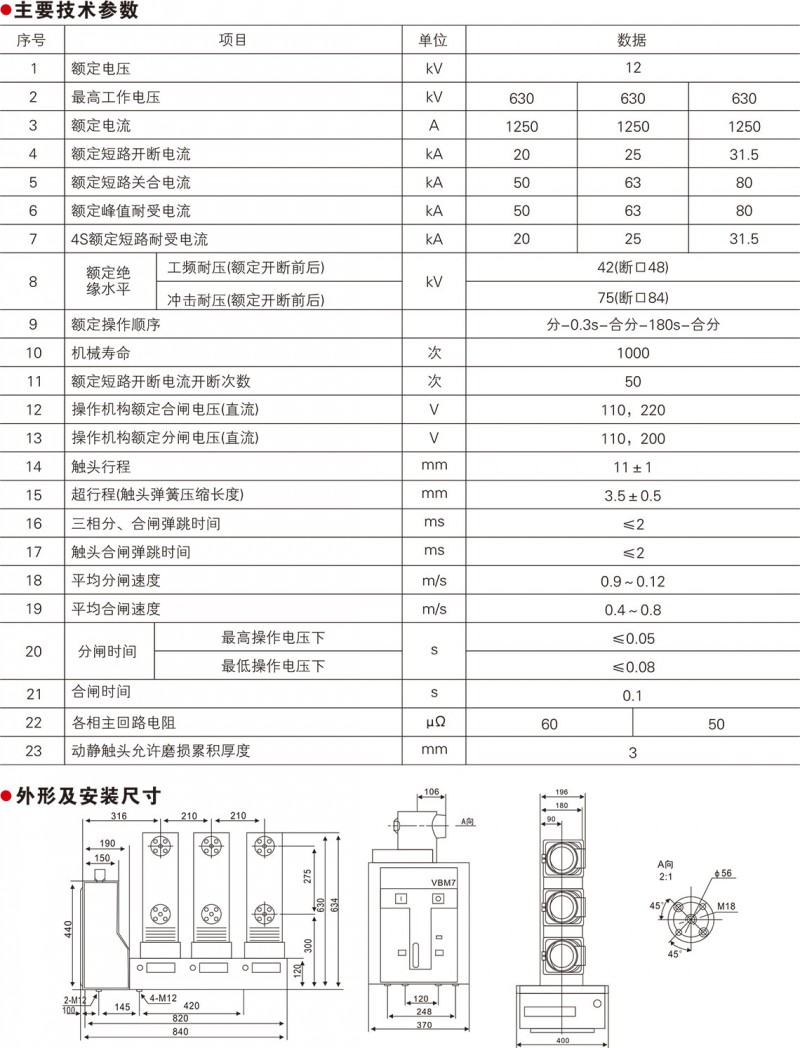
» VS1(VBM7)-12系列侧装式户内高压真空断路
VS1(VBM7)-12系列侧装式户内高压真空断路
点击图片查看大图
产 品:
浏览次数:3897
VS1(VBM7)-12系列侧装式户内高压真空断路
单 价:
面议
最小起订量:
供货总量:
发货期限:
按照买卖双方合同约定日期发货
更新日期:
2023-01-22 有效期至:长期有效
详细信息
VS1(VBM7)-12系列侧装式户内高压真空断路
询价单
网站首页
|
公司介绍
|
供应产品
|
采购清单
|
人才招聘
|
联系方式
|
诚信档案
|
管理入口
©2025 景光电气有限公司 版权所有 技术支持:
28多多市场网
访问量:40094