收藏本页
|
设为主页
|
随便看看
广东四会互感器厂有限公司
专业设计、生产和销售互感器、28多多、开关、传感器,开关柜用手车和绝缘件等电器...
网站首页
公司介绍
供应产品
人才招聘
联系方式
诚信档案
新闻中心
暂无新闻
产品分类
全部分类
户内式电流互感器
户外式电流互感器
电源28多多
干式28多多
串联电抗器
套管
其他
联系方式
联系人:张坤伦
电话:+86-758-3231206
邮件:gdshp@21cn.com
站内搜索
供应产品
人才招聘
荣誉资质
暂未上传
友情链接
暂无链接
您当前的位置:
首页
»
供应产品
» JDQXF-110W2 电压互感器
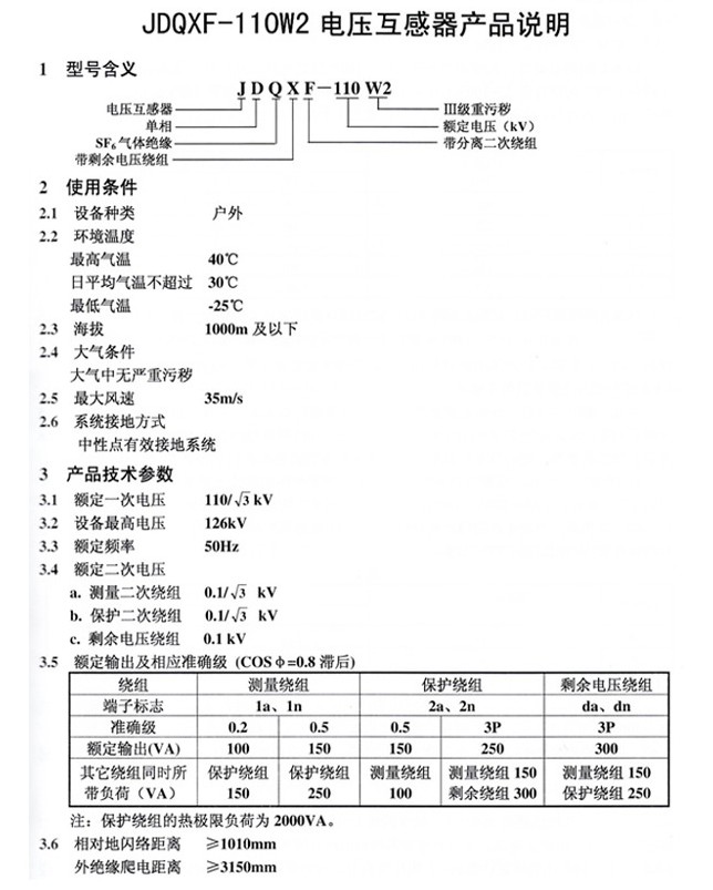
JDQXF-110W2 电压互感器
点击图片查看大图
产 品:
浏览次数:6987
JDQXF-110W2 电压互感器
型 号:
JDQXF-110W2
单 价:
面议
最小起订量:
供货总量:
发货期限:
按照买卖双方合同约定日期发货
更新日期:
2023-01-22 有效期至:长期有效
详细信息
询价单
网站首页
|
公司介绍
|
供应产品
|
人才招聘
|
联系方式
|
诚信档案
|
管理入口
©2025 广东四会互感器厂有限公司 版权所有 技术支持:
28多多市场网
访问量:148124